Değerli e-bergi okurları,
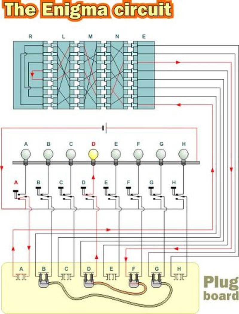
Bu yazımda sizlere Enigma şifreleme makinesinden bahsedeceğim. Enigma, Yunanca'da gizem veya bulmaca anlamına gelen bir sözcüktür. Enigma makinesi ise Alman mühendis Arthur Scherbius tarafından gizli mesajların şifrelenmesi ve deşifre edilmesi için I. Dünya Savaşı’nın sonlarında icat edilen bir şifreleme makinesidir. İlk örnekleri 1920’li yılların başlarında ticari olarak kullanılırken II. Dünya Savaşı sırasında başta Nazi Almanyası olmak üzere pek çok ülkenin askeri ve idari kurumları tarafından da kullanıldı. Birçok türde Enigma modeli üretilmesine rağmen Alman ordu modelleri hep en fazla tartışılanlar oldu. Diğer rotor makineleri* gibi, Enigma makinesi de mekanik ve elektrik alt sistemlerinin bir kombinasyonudur. Mekanik alt sistem bir klavyeden (bir mil boyunca yan yana dizilmiş rotor olarak adlandırılan bir dizi dönen disk) ve her bir tuşa basarak bir veya daha fazla rotoru döndürmeye yarayan çeşitli adım bileşenlerinden oluşmaktadır. Şifreleme işlemi sırasında makinede gerçekleşen süreç ise aşağıdaki Enigma devresi diyagramından anlaşılabilir.
- Klavyede A harfine basılır. Bu esnada sağ tekerlek N bir adım ilerler. Böylece her tuşa basıldığında yeni bir alfabenin kullanımı sağlanır.
- Plugboardda A harfine bir akım gider. Hiçbir plug bu harfte yer almayacağından akım E tekerleğindeki A harfine kadar ilerler. Bu tekerleğin diğer tekerlekleri birbirine bağlamak dışında bir işlevi yoktur.
- N, M ve L tekerleklerindeki kompleks iç hatlardan dolayı, akımın bunlar üzerinden geçmesi harflerin permütasyonuyla sonuçlanır. Aynı şey R reflektörü için de söylenebilir.
- Akım, her adımda harflerin permütasyonuna (orijinal permütasyonların ters permütasyonları) sebep olan L, M ve N tekerlekleri boyunca geriye döndürülür.
- Akım plugboarddaki f harfine geri gelir. F harfiyle d harfini birbirine bağlayan bir plug akımı d harfine yönlendirir. Böylece lampboardda d harfinin ışığı yanar. Aslında A harfi d harfine şifrelenmiştir.
II. Dünya Savaşı’nın sonuçlanmasında Enigma makinesinin kod sisteminin çözülmesinin büyük etkisi olmuştur. Bazı tarihçiler bu kod sisteminin çözümlenmesiyle savaşın bir yıl daha önce bittiğini ileri sürerler. Enigma’nın var olan zayıf yanlarının yanı sıra operatör hataları, prosedür açıkları ve nadir olarak ele geçen kod kitapları sayesinde de şifreler deşifre edilebilir. II. Dünya Savaşı sırasında şifre çözücüler bilim adamları, matematikçi ve mühendislerden oluşmaktaydı. Hatta bunlardan bazıları daha sonra Bilgisayar biliminin kurucularından sayılacak olan Alan Matthison Turing ve dünyanın ilk dijital ve programlanabilir bilgisayarı olan Colossus’u yapan Thomas Harold Flowers’dır. Colossus bilgisayarı II. Dünya Savaşı sırasında Alman Lorenz SZ40/42 şifre sisteminin çözülmesinde olasılık hesaplayıcı olarak kullanılmıştır. II. Dünya Savaşı’nda kullanılan şifre sistemleri ve bunların deşifresinde kullanılan algoritmalar, buluşlar, şifre çözücü makineler bir anlamda bilgisayar biliminin doğmasına neden olmuştur. Enigma’nın da şifresinin çözülmesi ile bilgisayarları yakınlaştıran bu süreç, sonraki zamanlarda bilgisayarların şifreleme işlemlerinde daha çok kullanılması ve bunun, günümüzün de vazgeçilmez bir parçası olmasına sebep olmuştur diyebiliriz. E-bergi’nin gelecek sayılarında tekrar görüşmek üzere!
KAYNAKÇA
- http://en.wikipedia.org/wiki/Enigma_machine
- http://en.wikipedia.org/wiki/Rotor_machine
- http://www.matematiksider.dk/enigma_eng.html
- http://www.selosepet.com/sir-ve-gizemin-anahtari-enigma-makinesi-nedir-nasil-calisir
- http://nisanci53.blogcu.com/ikinci-dunya-savasi-bitiren-enigma-makinesi/3708838